產品分類
PRODUCT CENTER產品規格更多
| 產品 | 規格 |
|---|---|
| 二波板 | 4320*310*85*3/4 |
| 三波板 | 4320*506*85*3/4 |
| 圓立柱 | 直徑140/114*4.5 |
| 方立柱 | 130*130*6*2540 |
| 防阻塊 | 196*178*200*3/4.5 |
| 托 架 | 70*300*4/4.5 |
| 柱 帽 | 140/114適配 |
| 螺 栓 | M16*35/45/170 |
| 方墊片 | 76*44*4 |
| 單端頭 | R160*3/4 |
點擊數:1972025-10-16 16:09:54 來源: 波形護欄|護欄板價格|高速護欄板廠家-冠縣華安交通
GB/T 31439.2-2025《波形梁鋼護欄 第2部分:三波形梁鋼護欄》?于2025年8月29日發布,計劃于2026年3月1日實施,替代2015版標準,規范公路交通工程中三波形梁鋼護欄的技術要求與安全性能。

h) 刪除了橫隔梁及相關技術要求(見2015年版3.3.6、4.2.6);

i) 增加了托架的用途、規格、尺寸和允許公差要求(見4.3.6、5.2.6);

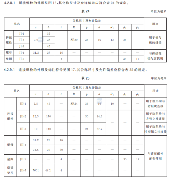
j) 更改了拼接螺栓連接副和連接螺栓連接副的用途、規格、公稱尺寸及允許偏差(見4.3.8、4.3.9、5.2.8.1、5.2.8.3、5.2.9.1和5.2.9.3,2015年版的3.3.8、3.3.9、4.2.8.1和4.2.9.1);





k) 更改了外觀描述和毛刺處理要求(見5.1.1、5.1.2,2015年版4.1.1、4.1.2);

l) 增加了三波形梁板、加強橫梁和立柱不應焊接加長的要求(見5.1.4);

m) 增加了三波形梁板中部連接螺孔數量應根據鋼管立柱間距設置的要求、展開尺寸及允許偏差的要求(見5.2.1.1~5.2.1.3);



n) 更改了鋼管立柱、方管立柱和 H 型鋼立柱的尺寸要求(見5.2.4.2、5.2.4.6、5.2.4.10,2015年版4.2.4.2、4.2.4.6和4.2.4.10);




如需要2025標準電子版,可點擊關注,評論區留言需要2025標準電子版。??

